○第三級アマチュア無線技士国家試験工学○
20問モード

■13問目 回答結果■
正解!
正 解:9倍
時 間:464秒
正解数:4問

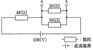
第14問目
図に示す回路において、端子ab端子関の電圧は、幾らになるか。

48[V]
30[V]
12[V]
20[V]


メニューへ
再挑戦